

在線留言
你的企業是否面臨這些問題?

-
01設備效率低?設備產出效率低下,作業浪費嚴重
-
02設備小故障多?設備小故障頻發,事后搶修不斷
-
03缺少設備操作標準?缺少正確的操作程序,或者作業員長期違反操作規程
-
04改善意識不足?員工缺少改善意識,也不具備改善技能
-
05設備管理職責不清?設備管理職責不清,各項制度執行不落實,管理不到位,基礎管理工作滑坡
-
選擇華謀,以上問題全都不用擔心300+ 上市公司連續16年都在使用的龍頭咨詢公司
我們能為企業帶來什么好處?
-
減少設備故障率設備有關的操作者、保全人員、設計者們從各部門的專業立場出發,全員協力找出設備的缺陷,進行調整修復。
-
設備預防管理對設備上的規定部位(點)進行有無異常的預防性周密檢查的過程,以使設備的隱患和缺陷能夠得到早期發現、早期預防、早期處理。
-
讓員工掌握設備專業知識讓企業員工學習并掌握構成設備系統的6大系統(潤滑系統、油壓系統、氣壓系統、驅動、傳動、運動系統、電磁場控制系統、鏈接零件)結構。
-
改善作業員和專業保全人員工作關系通過操作者、保全人員、設計者們從各部門的專業立場出發,協力找出設備缺陷的過程,培養團隊合作精神。
-
提升設備的綜合效率防止設備不發生人為劣化,從事后維修轉化為事前預防,幫助企業提升設備的綜合效率。
-
???
我們能做什么?
-
5STEP小組活動板建立CTPM 5 STEPM推進活動板,從組織、計劃、區域、目標、4大不合理表、加工點管理、設備巡檢工序、自主管理基準、自主管理巡檢表、提案、主題、OPL、重點指標管理等運行,并動態管理,達到公司指標良性發展的目標,并推動小組活動開展。
-
點檢可視化 、自主管理基準優化對設備點檢部位可視化進行優化,提高點檢效率,制作完善總點檢教材,設備組編制通用理論教材,總點檢實踐培訓,個人多崗位多技能認證培訓,自主管理(含異常處置和故障處理)設備的移交,同時優化自主管理基準。
-
故障處理標準化、修理競賽活動對設備進行統計,常見故障制作《常見故障處理辦法》,通過定期組織員工“修理競賽”活動,提高員工的工作積極性和工作技能,充實員工的精神生活以創造良好的工作氛圍;前期收集故障指標對記錄進行分析、改善,通過挑戰活動,追求實現設備零故障。
-
CTPM5階段-三級診斷活動對生產現場進行系統的CTPM5 STEP 成果診斷驗收,確保通過推進辦專家組、部門經理、高層管理的三級驗收。
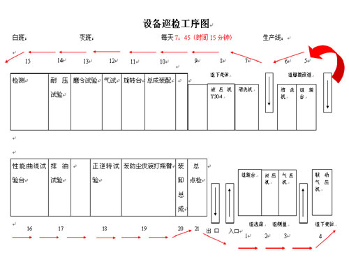
CTPM5階段-設備自主點檢開展過程?
-
5STEP 導入培訓
-
點檢可視化
-
加工點管理
-
檢修規程標準化
-
修理競賽
-
CTPM5年級三級診斷
在線留言
-
姓名:
-
電話號碼:
-
公司名稱:
案例展示
